原理与用途
LYL型系列压力表氧气表两用校验器应用帕斯卡原理,采用手动杠杆作用下的柱塞产生压力,设置二级油水隔离装置,基本上能检定市面上的大部分压力表,应用范围大、性能稳定、可靠、操作方便。
本产品适用如下场合:
① 压力表生产厂家
② 各级压力计量检定部门
③ 各工矿企业及需用的工业单位
机构特点
1. 设置二级油水隔离装置,检测范围大
2. 体积较小、重量较轻,较适用于现场检测
3. LYL型采用二级杠杆加压较为省力
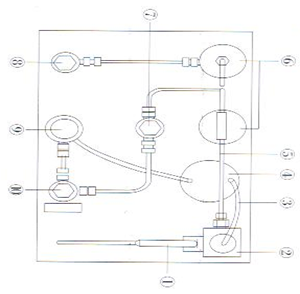
4. 结构(如图一)

(图一 机构示意图)
1. 压杆结构 2.泵座及支架 3.进油软管 4.油杯
5. 出油管 6.隔离器 7.标准表座 8.禁油表座
9.控制阀 10被校表座
性能与技术指标
◎ 工作范围:0-40MPa(400Kgf/cm2)
0-60MPa(60 Kgf/cm2)
◎ 外形尺寸:(mm)490*320*298
◎ 工作介质:干净的水与仪表油(或变压器油)
◎ 工作介质:不不低于摄氏0℃
◎ 强度与密封性:实验室时间10min
LYL40 | 1.首先加压至50MPa保持5min 2.后5min压力下降值≤0.75MPa |
LYL60 | 1. 首先加压至75MPa保持5min 2. 后5min压力下降值≤1MPa |
◎ 工作压力与密封性:
以10MPa为单位,逐级加压,每级负荷下保持1min其压力下降值≤该级负荷的1%
使用方法
◎ 注水(如需此步骤、厂家会特别提醒):
1. 将回油软管从油杯中拿出
2. 打开控制阀手柄(逆时针旋转)
3. 将禁油表座(氧气表座)丝堵松开取下
4. 用随机附件注水器从禁油表座处注入清洁的水直至回油软管处流出清水为止
5. 用丝堵将禁油表座封死压紧,注水完毕(一般本机出厂时已注水完毕,用户只需按以下步骤操作即可,注水步骤可省略)
◎ 加油
油杯中加油至约3/4处
◎ 接通油路
1. 将造压泵上面小油杯注满油,用螺丝刀反复按压进油阀数次,放出其中空气
2. 连续急速按压杠杆,直至回油软管流出清油
3. 将回油软管装入油杯中
◎ 安装标准表即可正常工作了
常见故障与排除
◎ 检定普通压力表时,禁油表座应压紧,不能漏水。
◎ 检定禁油类压力表时,将禁油表座丝堵取下,将被校表座上开关关闭
◎ 本仪器进油阀上装小油杯,初次使用时将油杯盖取下,将小油杯注满油,试压几次,如油面下降,说明进油正常,如油面不降,说明柱塞泵内有空气,可用小棒按压进油阀芯数次,将柱塞泵内的空气排出。等正常进油后,将小油杯补满油,装好小油杯盖,这时加压油将自动吸入泵体,接通油路即可正常工作。
◎ LYL型仪器采用双杠杆造压,活塞行程受到限制,开始使用时油不易被吸入泵内。这时,可将杠杆上销钉取下,用凸轮直接快速打压,当柱塞泵正常进油后,将销钉重新装好,然后正常工作
随机附件
序号 | 故障现象 | 原 因 | 排除方法 |
1 | 压力不能保持 | 有泄露点:1.螺纹松动 2.密封垫老化 | 1.紧固螺纹 2.更换密封垫 |
2 | 不进油或者进油后又吐出 | 1.进油阀卡滞或太脏2.密封垫失效 | 1.清洁进油阀2.更换密封垫 |
3 | 进油但升压不正常 | 出油阀卡滞或太脏 | 清洁出油阀或者更换 |
4 | 出油阀处漏油 | 密封垫失效 | 更换密封垫 |
5 | 柱塞泵处漏油 | 密封垫失效 | 更换密封垫 |
6 | 控制开关失灵 | 1.杂质堵塞2.用力过度造成磨损 | 1.清楚杂物2.更换 |
名称 | 数量 | 用 途 | 备 注 |
注射器 | 1 | 注水用 | |
钢纸垫 | 2 | 进出油阀处 | |
O型橡胶圈 | 5 | 各表接头处 | |
变径接头 | 2 | M20*1.5/M14*1.5 M14*1.5/M12*1.5 |
◎ 禁油表座是专门用来核定禁油压力表的
◎ 用户千万不要搞错,以免发生危险。为安全起见,建议不要同时使用禁油类压力表座与普通压力表座,其使用工具最好专用 ,以免不慎将油脂带到禁油表中去。
◎ 使用一段时间后,应注意系统中水和油的耗损情况,并及时补充。补充时一般是先补水,后补油,(方法参见使用方法一节中注水、加油事项)。
◎ 仪器使用一段时间后,应检查工作介质油、如变质或肮脏应予更换。
◎ 各控制开关应轻开轻关,不宜用力过度,否则容易损坏。
本仪器各表接头采用O型橡胶封闭,不宜用力过度,压紧即可。
联系人:office
手 机:0913-8563896 / 15877552632
公 司:亚洲第一综合天堂另类专
地 址:陕西省渭南市大荔县许庄镇党家村4组